Je viens de m'apercevoir que la sonde qui commande la pompe ECS en mode solaire est grillée. Elle n'a pas supporté la chaleur peut être.
Cette sonde est sur quel principe de mesure, car si identique elle grillera de nouveau.
Il existe une très grande quantité de méthodes de mesure des températures à tous les prix et certaines résistent à très haute température pour pas plus cher (600°C).
Il faut voir la précision nécessaire.
Donc il faut voir de près la méthode et en changer.
Sur les thermostat à bulbes classiques à déformation mécanique par dilatation d'un gaz dans un tube qui pousse un contact, il arrive si trop chauffé ou soudure mal faite que le gaz fuit !!
Il suffit de remettre du gaz (comme acétone) fonction des T nécessaire ( eau si T<100°C) pour le régénérer (je l'ai fait sur machine à laver) et il remarche après un bonne soudure meilleure avec le bulbe au froid (acétone liquide) !!
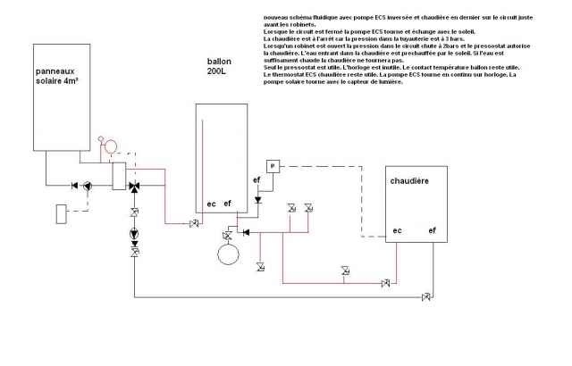
Je n'ai pas tout compris mais j'utilise bien des panneaux à tubes sous vide.
Il serait bon de nous préciser ce qui n'est pas clair dans nos vues théoriques pour que on les détaille et précise mieux, car combinées avec votre réalisation concrète bien pensée, on a l'impression théorique que l'optimisation peut être améliorée avec pas trop de travail !!!
Ainsi à voir vos tubes sous vide, en plein courants d'air et sans réflecteur cylindro parabolique sous chacun, on a l'impression théorique que leur rendement peut être amélioré sans trop de peine, comme pour la structure du circuit et régulation !
Les capteurs plans sont mieux isolés avec plus d'inertie thermique et prennent plus de temps pour refroidir.
En effet bloquer sur les côtés par des bordures simples rudimentaires la circulation de l'air autour un peu devrait diminuer la vitesse de refroidissement des tubes d'un facteur à mesurer en fonction du vent.
Mettre un réflecteur un peu arrondi sous les tubes qui renvoient les rayons lumineux dans les tubes au lieu du ciel, doit améliorer par un facteur aussi à mesurer !
Un essai rudimentaire rapide par soleil est de mettre de la feuille d'aluminium fine pas chère (alu de cuisine collé sur feuille plastique semi rigide) en demi rond sous et autour des tubes un peu évasé se rejoignant entre les tubes, et de voir le gain réel en fonction du soleil entre été (trop chaud) et hiver.
Probablement les tubes sont trop serrés ( surtout avec réflecteur) et l'optimum est à déterminer expérimentalement ?????
Autrement, pour chauffer je pense que des capteurs pas chers qui chauffent de bas Textérieur à 45°C suivis de quelques capteurs sous vides qui chauffent plus haut de 45°c à 55°C (supprimés par bipass si sans soleil) peut être plus efficace ??

