Pantone sur moto Terrot 350

Montages et modifications de moteurs, diverses expériences, constatations et idées.
Christophe
Modérateur
Modérateur
Messages : 81413
Inscription : 10/02/03, 14:06
Localisation : Planète Serre
x 12260

Message non lupar Christophe » 26/02/07, 10:04

Désolé mais je suis complètement à l'opposé de vos avis!

Je pense qu'un montage pantone sur une telle machine serait bénéfique pour montrer qu'avec de vieux moteurs ont peut obtenir les performances en terme de dépollution et conso des moteurs récents..voir tourner à l'huile végétale (30 à 40%).

Evidement avant de se lancer dans une telle "aventure" il faut un bon stock de pièce de rechange pour pouvoir remettre la moto d'origine pour une raison X ou Y. Sinon évidement je déconseille la modif également...il faut rester raisonnable.

Sinon un avis général qui me choque un peu dans vos propos: quand on fait de la recherche (car s'en est) il ne faut pas voir la rentablité partout... :evil: ...sinon autant pas faire de recherche désolé...
0 x

denis
Grand Econologue
Grand Econologue
Messages : 944
Inscription : 15/12/05, 17:26
Localisation : rhone alpes
x 2

Message non lupar denis » 26/02/07, 10:06

il n'y a aucun interet pour ce moteur: on pert de la puissance max (c'est pas ce que tu cherche!) on gagne du couple (y en a déja)
pour la conso , elle n'est pas un puit!
passe sur un autres véhicule,ça sera le mieux.
0 x
le blanc n'existerait pas sans le noir , mais quand meme!


http://maison-en-paille.blogspot.fr/

denis
Grand Econologue
Grand Econologue
Messages : 944
Inscription : 15/12/05, 17:26
Localisation : rhone alpes
x 2

Message non lupar denis » 26/02/07, 10:26

Christophe a écrit :Désolé mais je suis complètement à l'opposé de vos avis!

Je pense qu'un montage pantone sur une telle machine serait bénéfique pour montrer qu'avec de vieux moteurs ont peut obtenir les performances en terme de dépollution et conso des moteurs récents..voir tourner à l'huile végétale (30 à 40%).

Evidement avant de se lancer dans une telle "aventure" il faut un bon stock de pièce de rechange pour pouvoir remettre la moto d'origine pour une raison X ou Y. Sinon évidement je déconseille la modif également...il faut rester raisonnable.

Sinon un avis général qui me choque un peu dans vos propos: quand on fait de la recherche (car s'en est) il ne faut pas voir la rentablité partout... :evil: ...sinon autant pas faire de recherche désolé...


sur ce model ,on ne pense pas rentabilité , mais préservation!
il y a assez de vieux moteur des années 70/80 pour experimenter, des voitures type r5 ,il y en a des million dans les ortie ,car rouillé , j'ai 4 voitures sans papier qui attendent ,je peut en donner une pour faire nos recherche ,meme 2 ! ; je vais etrre trop loin , mais a moins de 5 km de chez vous il doit y en avoir !
0 x
le blanc n'existerait pas sans le noir , mais quand meme!





http://maison-en-paille.blogspot.fr/

nialabert
Bon éconologue!
Bon éconologue!
Messages : 258
Inscription : 02/06/05, 22:32
Localisation : Genève

Message non lupar nialabert » 26/02/07, 13:02

Je trouve vraiment dommage de monter un pantone sur une moto pareille. Il faut la refaire et l'utiliser telle quelle.


En plus ça va être une galère pas possible pour faire tourner le moulin en 100% pantone.

Achète toi un truc plus récent (une Xt600) mais pas trop. Là tu aura déjà des pièces détachées beaucoup plus facilment et c'est une construction qui correspond mieux à notre époque.
0 x
***************************
Des chercheurs qui cherchent on en trouve, mais des chercheurs qui trouvent on en cherche.

Christophe
Modérateur
Modérateur
Messages : 81413
Inscription : 10/02/03, 14:06
Localisation : Planète Serre
x 12260

Message non lupar Christophe » 26/02/07, 13:25

denis a écrit :sur ce model ,on ne pense pas rentabilité , mais préservation!


Oui je suis d'accord d'où mon paragraphe 2 non? 8)
0 x


Avatar de l’utilisateur
antoinet111
Grand Econologue
Grand Econologue
Messages : 874
Inscription : 19/02/06, 18:17
Localisation : 29 - Landivisiau
x 1

Message non lupar antoinet111 » 26/02/07, 16:06

ARRETE TOUT DE SUITE; STOP

sacrilege, on ne touche pas a une becane de 80 ans, c pas serieu, cela vaut une petite fortune et c une partie de notre histoire, tu pantoniserait un ford T de 1932 toi??? ben la c pareil.

des tats de gens te l'echangerais contre une becane plus recente, 500 gse, CB, africa twin, meme des flat twin je suis sur.

en plus c pas fait pour rouler a deux, ou alors avec un siege bébé.

http://search.ebay.fr/terrot-350_W0QQfkrZ1QQfromZR8

aller bonne route.
0 x
Je vote pour l'écriture de post concret et de sens pratique.
A bas les beaux parleurs et les brasseurs d'air !

laurent.delaon
Je comprends l'éconologie
Je comprends l'éconologie
Messages : 168
Inscription : 13/08/05, 17:49

Message non lupar laurent.delaon » 26/02/07, 17:35

Bonjour,
Ne fait pas ca sur ta moto.
C'est completement con.

Tu va vraiment l'abimer cela n'a aucun interet et n'apportera rien.
(et sans vouloir te decourager ton systeme ne fonctionnera pas dessus: trop compliqué.).
Essaye sur une autre plus recente.

Merci.
0 x

Segoub
Je découvre l'éconologie
Je découvre l'éconologie
Messages : 4
Inscription : 09/02/07, 19:29

Message non lupar Segoub » 27/02/07, 02:07

Bonjour

Et ben, si je m'attendais à toutes ces réaction je me serais tenu plus discret.

Rassurez-vous tous, je n'est pas dutout envie de lui causer du mal. J'y passe trop de temps et d'effort pour la remettre en bon état de marche. Si il y a modif, il est évident que je conserverai les pièces d'origines prècieusement de coté, le temps leur a donné une patine inimitable. Et comme j'avais dis dans mon premier message : "Pour l'instant je refléchi au problème et si c'est viable à mes yeux, j'attaque". Hors ce n'ai pas viable dutout pour l'instant.

Elle a 75 ans maintenant et je ne suis pas dutout de votre avis pour sa fragilité. Elle peux faire encore un bon paquet de bornes avec une fiabilité très honnettes. Il faut la passer en revu profondément et traquer les ravages du temps sur les pièces, et si sa casse c'est que j'aurais mal fait mon boulot, je n'aurais plus qu'a retrousser les manches. Il ne faut pas mettre ces machines dans la houate ou sous cloche. Dans les année trentes, elles enmenaient sans sourciller toute la famille quitte à mettre un side. Les latérales était les chevaux de labeur. Elle m'enmènera bien au quatre coin de la france.

Avant j'avais une 1000 Laverda. La plupard de ceux qui en ont l'admire dans leur garage et n'ose pas la sortir parce que honereux et difficile en entretien. La mienne faisait un minimum de 17000 km rien qu'en hivers, je me battais avec sur les petites routes, j'attrapais des crampes aux poignés en montagne, je coupais sur autoroute tellement elle vibrait au niveau du guidon à hauts régimes, je me régalais avec ce fabuleux moteur, J'ai eu des plaisirs intenses et de superbe trouille, après avoir traversé la france, je la mettais sur la centrale dans un gémissement de fatigue et de douleur, complètement ruiné, mais j'étais heureux d'avoir été en symbiose pendant quelques heures avec ce pursang rétif.

Ces voyages sont parmis les souvenirs les plus intenses et que je cheri le plus. c'est vrai, j'ai usé la bète mais la conserver comme neuve au fond du garage ne m'aurai pas donné le 100ème du plaisir que j'ai eu à la piloter. Les temps et évenements ont fait que j'ai du m'en séparer. Maintenant, je peux en reprendre une et quoi prendre ? Un truc moderne fade et sans âme ? Il parait qu'il faut être "raisonable" aussi alors j'ai choisi ce vieux Pétochon qui balade à 70. Je vais l'usée aussi, c'est vrai, mais j'aurais 100 fois plus de plaisir à rouler que de la garder précieusement au fond de mon garage. Il y aura toujours des gens pour les regarder et les conserver comme un capital qui prend de la valeur, un truc qu'il faut garder et cacher... mais qu'ils n'enmèneront pas avec eux une fois mort. Moi non plus, je ne l'enmènerais pas mais en attendant, pantoner ou pas, je vais être le plus heureux des hommes à sentir et écouter vivre ce vieu cheval en admirant notre belle planete...

Voila mon réquisitoire, j'espère que l'on me comprend un peut mieu maintenant.

Pour le 100% pantone, j'ai cogité dur et le projet à pas mal évolué. Même si cela ne se fera peut être jamais, je part toujour sur l'idée qu'il est monté sur la Terrot qui, soit dit en passant, est une exelente base de travail : simple, rustique, obligeant à consevoir les choses simplement pour la mise en oeuvre. Et si sa peut marcher sur un laterale basic, sa peut marcher sur toutes les machines modernes, un 4 temps est un 4 temps.

Bon j'arrète, il est très tard, demain je bosse. Je vous fait la suite du feuilleton ... jeudi normalement.

A plus la compagnie !

Segoub
0 x

denis
Grand Econologue
Grand Econologue
Messages : 944
Inscription : 15/12/05, 17:26
Localisation : rhone alpes
x 2

Message non lupar denis » 27/02/07, 08:15

un vrai motardImage
0 x
le blanc n'existerait pas sans le noir , mais quand meme!





http://maison-en-paille.blogspot.fr/

Segoub
Je découvre l'éconologie
Je découvre l'éconologie
Messages : 4
Inscription : 09/02/07, 19:29

Message non lupar Segoub » 01/03/07, 23:38

Bonjour

Bon, passons au choses sérieuses.

Tout d'abords, Merci Denis de me proposer une 500 Z mais ... là, c'est toi qui plaisante. Une 500 Z est bien le type même de ce qu'il faut éviter de prendre, on s'assure un échec même si le pantone fonctionne. Sur les moteurs modernes ou poussés comme ceux d'une moto, il est mis à profit les phénomènes des ondes de pressions à l'échappement et à l'admission. on modifie l'un ou l'autre et le rendement change... en mal parce que laissé au hazard. Elle peut perdre sans problème 1500 tours et 15 CV voir être inréglable si on veut faire un 4 en 1 mal gaulé. Ces machines sont trop difficile pour l'instant. Faut prendre des moteurs ou les ondes de pressions sont peut utilisé. Et puis 4 cyl. moto, c'est plus de boulot qu'un mono.

Pour le pantone, je pense qu'il faut considérer tout le système comme un carburateur géant. Pour l'instant, on fait comme au début de ciècle. On chauffait le pétrole, on avalait les vapeurs et on règlait la richesse avec un petit robinet. On doit pouvoir faire mieu.

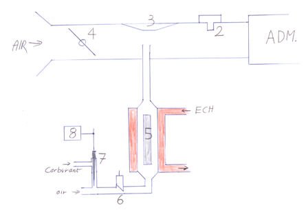
Voici l'évolution :

[img] https://www.econologie.com/fichiers/partager/PANT1.bmp
[/img]

C'est un chéma de principe fait à la vas-vite mais :
En 2 : capteur de dépréssion qui pilote le servo-moteur de modelisme en 8 qui bouge l'éguille de richesse en 7.
En 3 : endroi de sortie du reacteur et du venturi. Mon venturi ferai 20mm. Le diam du carbu d'origine pour le minimum de perte de charge
En 4 : papillon d'air. Je pensais mettre le vieu carbu pour l'estetique mais il est trop usée, avec des fuites partout. Si je le met, je m'assure un ralenti plus que douteux.
En 5 : le réacteur pour l'instant toujours avec la tige de 8x120 dans un tube de 10 interieur donc une section de 6mm².
En 6 : petit carbu. de 5mm sans son alimentation
En 7 : Gicleur à aiguille du petit carbut déplacé en amont du boisseau, modifié pour avoir son aiguille piloté par le servo-moteur.

Expliquation du fonctionnement :

La sonde de pression pilote le servo-moteur. C'est calibré avec le débit d'essence au ralenti et avec le débit à fond en pleine charge. entre les deux extrème, le débit d'essence sera proportionnel à la dépression dans l'admission. C'est pas exact comme procédé mais c'est plus simple à réaliser coté electronique et ne sechant pas de combien il faut enrichir ou apauvrir à mis régime, ça ira comme ça pour l'instant.

Jai placé le reacteur après le papillon, c'est pas une habitude apparement à cause des soucis de forte dépression dans l'admission papillon fermé. Mais placé avant, je vais avoir des souci à bas régime, au ralenti. Je vais devoir placer un venturi serré à cet endroi et grosse perte de charge. En plus, le réacteur vas se montrer fainéant à la reprise, provoquer des trous de carburation éliminatoire. placé après le papillon, il devrait se montrer plus vif étant en forte dépression papillon fermé.

A cause de ce temps de réaction gènant, il faut que la distance et le volume de mélange soit le plus petit possible entre le gicleur et la pipe d'admission tout en perdant le moins de charge possible, ce qui en fait est une histoire de compromis, on peut pas ménager les deux.

J'ai mis un boisseau en 6, entre le gicleur et le réacteur. Il devra être couplé avec la papillon 4 mais ils devront avoir des ouvertures assynchrones, pas facile. Sur la Pétochon, j'ai la chance d'avoir une double commende pour le carbu : une manette de gaz et une manette d'air. Au début, je séparerais bien le papillon du boisseau et les controler séparement pour savoir comment ils s'accordent entre eux. Surement fastidieu de rouler ainsi mais surement indispensable pour ne pas tatonner dans les reglages pendant un temps fou. Sinon, je ne suis pas fixé sur sa position definitive : doit-il être avant ou après le gicleur ? Je vais continuer à cogiter sur ce point. sa joue sur la richesse à mis ouverture et sur le ralenti.

Voila, j'arrete là pour ce soir, j'ai pas tout dis mais il y a déja de quoi faire pour avoir des réactions de vous tous.

La prochaine fois je soumettrai une idée pour les reacteurs et une pensé sur le rendement du pantone entre autre.

A plus pour la suite de notre saga : " Les fous espoirs de Pétochon !"

Segoub
0 x


 


  • Sujets similaires
    Réponses
    Vues
    Dernier message

Revenir vers « Injection d'eau dans les moteurs: montages et expérimentations »

Qui est en ligne ?

Utilisateurs parcourant ce forum : Aucun utilisateur inscrit et 40 invités